Dirección automática GPS para tractores
Voltaje nominal: CC 12 V
Potencia nominal: 50 W/60 W
Corriente nominal: 10 A
Velocidad nominal: 100 RPM/120 RPM
Grado de protección: IP65
Método de enfriamiento: enfriamiento natural
Diseño servo, alta precisión de control, precisión de 0,1 grados.
Codificador incremental incorporado con fuerte capacidad antiinterferencia.
Descripción del Producto:
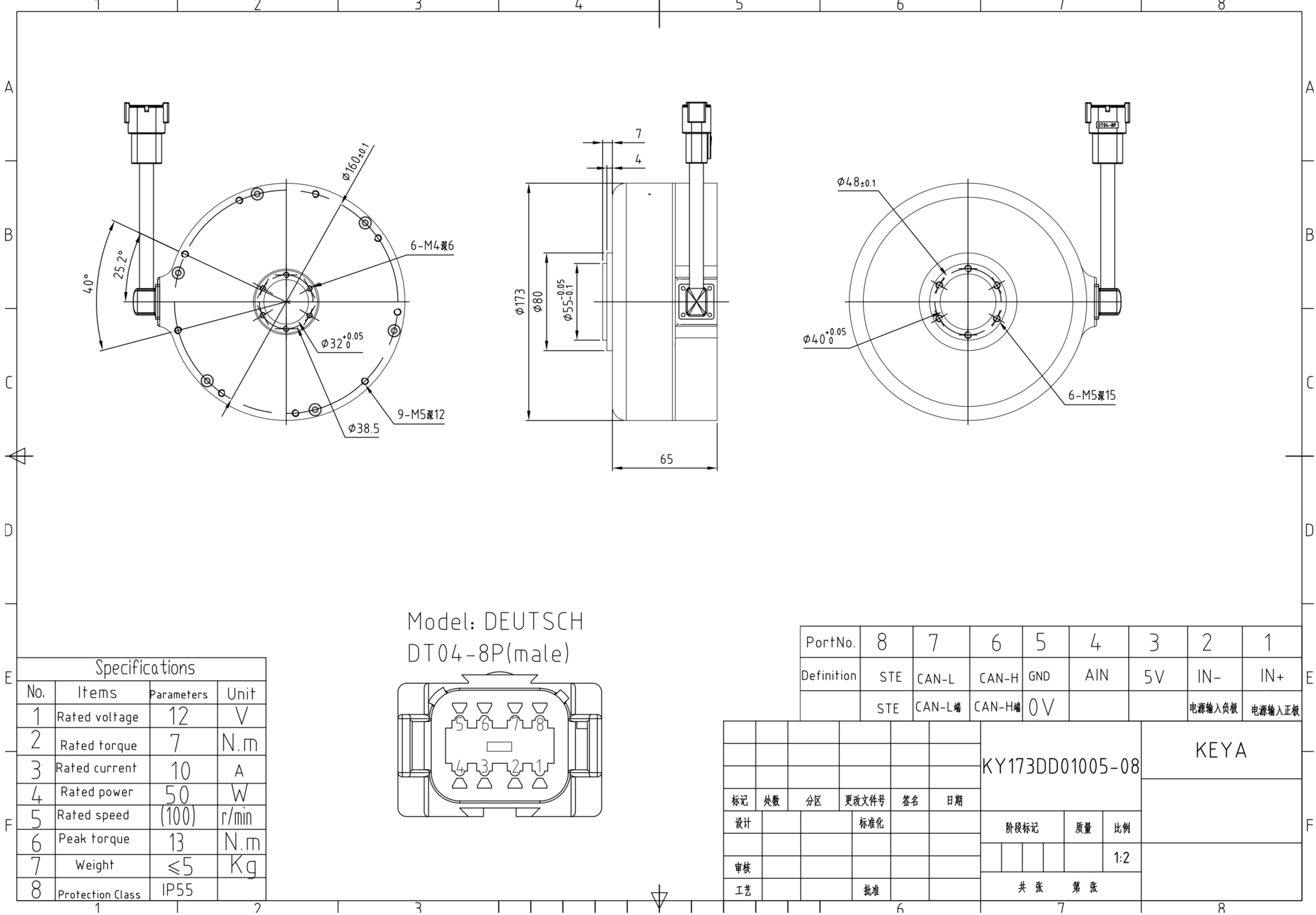
El motor de dirección automática es un motor de torsión de CC sin escobillas que admite un sistema de suministro de energía de 12 V. Su par máximo puede alcanzar los 13 N·m y el par nominal es de 7 N·m. Adopta un diseño de una sola pieza altamente integrado, que está integrado en un interior de carcasa compacto, lo que reduce significativamente la complejidad de la instalación y cumple con estrictos requisitos a prueba de polvo, humedad y niebla salina. Es un componente actuador clave de la maquinaria agrícola inteligente (como tractores no tripulados, trasplantadoras de navegación automática, etc.), responsable de convertir las instrucciones de dirección del sistema de control en acciones mecánicas para lograr una dirección precisa.
Parámetro del producto:
Modelo |
KY170DD01005-08 |
Tensión nominal |
12 V CC |
Rango de fuente de alimentación |
CC 9-36 V |
Potencia nominal |
50 W/60 W |
Corriente nominal |
10A |
Velocidad nominal |
100 RPM/120 RPM |
Corriente máxima instantánea |
20A |
Modo de trabajo |
Modo de velocidad, modo de posición |
Protección contra subtensión |
7 V (se puede configurar) |
Protección contra sobretensión |
32 V (se puede configurar) |
Método de control |
RS232/CAN |
Parte de comentarios |
Codificador incremental |
Temperatura de funcionamiento. |
-25-+55℃ |
Temperatura de almacenamiento. |
-35-+65℃ |
Grado de protección |
IP65 |
Método de enfriamiento |
Enfriamiento natural |
Peso |
≤5 kg |
Áreas de aplicación:
El motor de dirección automática para conducción autónoma está especialmente optimizado para maquinaria agrícola de precisión y sistemas de conducción autónoma. Cumple con los requisitos de arado profundo en tierras de cultivo, arrozales y operaciones en suelos de alta viscosidad, y ofrece alta precisión, alta fiabilidad y adaptabilidad ambiental. La interfaz de eje hueco también facilita la conexión e instalación con los volantes de maquinaria y equipos agrícolas.
Dibujo:
Certificado:
Nuestros servomotores, motores de juntas robóticas y otros productos siguen estrictamente los estándares internacionales y han pasado la certificación CE y la certificación del sistema de gestión de calidad internacional ISO9001. Cada vínculo, desde la adquisición de materia prima, la producción y la fabricación hasta las pruebas del producto terminado, está sujeto a un estricto control de calidad para garantizar un rendimiento estable del producto y una calidad excelente.
Equipo avanzado y taller:
Nuestro taller de producción adopta un sistema de fabricación inteligente avanzado y está equipado con dispositivos automatizados. Mediante instrumentos estandarizados de prueba de estatores de motores, equipos de inspección visual totalmente automáticos, instrumentos de prueba de tensión soportada, cámaras de niebla salina y otros dispositivos de prueba, inspeccionamos los productos para garantizar su excelente rendimiento y fiabilidad, ofreciendo a los clientes soluciones integrales de accionamientos de potencia.
Otros productos parciales:
Preguntas frecuentes:
Q1: ¿Cuál es el precio del producto?
A1: El precio específico depende del modelo, la potencia y la cantidad de compra. Le invitamos a proporcionarnos sus requisitos detallados y obtener una cotización precisa.
P2:¿Puede disfrutar de descuentos por compras al por mayor?
A2: Sí, utilizamos un sistema de precios escalonado. Las compras al por mayor pueden beneficiarse de descuentos. Podemos ofrecerle un presupuesto específico con más detalle.
P3: ¿Proporciona soporte técnico y servicio posventa?
A3: Nos adherimos a un enfoque centrado en el cliente, ofreciendo un servicio posventa de respuesta rápida las 24 horas y soporte técnico completo de un equipo técnico profesional para garantizar una resolución eficiente de problemas.
P4:¿Cómo es el ciclo de entrega?
A4: Para productos en inventario, coordinaremos el envío inmediatamente después de recibir el pedido. Para productos fuera de stock o productos personalizados, el progreso de la producción y el tiempo de entrega se sincronizarán en tiempo real.
Consúltenos en cualquier momento. Haremos todo lo posible por responder a sus preguntas.






