Motor de dirección del tractor
Voltaje nominal: 12 V/24 V
Rango de fuente de alimentación: CC 9-36 V
Potencia nominal: 50 W
Corriente nominal: 10A
Velocidad nominal: 100 RPM
Modo de control del motor: RS232/CAN/CANopen
Elemento de retroalimentación: codificador incremental
Soporte de motor de dirección automática AGOPEN GPS.
Diseño servo, alta precisión de control, precisión de 0,1 grados.
Diseño integrado, instalación sencilla y fácil mantenimiento.
Descripción del Producto:
En la agricultura moderna, los tractores no tripulados se están convirtiendo gradualmente en el equipo principal de las granjas inteligentes, y el motor de dirección automática de alta precisión, como componente ejecutivo clave del sistema de conducción no tripulada, desempeña un papel crucial. Al integrar algoritmos avanzados de control del motor y sistemas de retroalimentación de sensores, el motor de dirección automática puede controlar con precisión el ángulo de dirección del tractor para garantizar que el vehículo se desplace estrictamente por la trayectoria predefinida.
Información del producto:
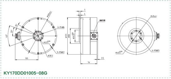
Modelo |
KY170DD01005-08G |
Tensión nominal |
CC 12 V/24 V |
Rango de fuente de alimentación |
CC 9-36 V |
Potencia nominal |
50W |
Corriente nominal |
10A |
Velocidad nominal |
100 RPM |
Corriente máxima instantánea |
20A |
Modo de trabajo |
Modo de velocidad, modo de posición |
Protección bajo voltaje |
7 V (se puede configurar) |
Protección contra sobretensión |
32 V (se puede configurar) |
Método de control |
RS232/CAN |
Parte de comentarios |
Codificador incremental |
Temperatura de funcionamiento. |
-25-+55℃ |
Temperatura de almacenamiento. |
-35-+65℃ |
Grado de protección |
IP55 |
Método de enfriamiento |
Enfriamiento natural |
Peso |
≤5 kg |
Dibujo del producto:
Certificado:
Áreas de aplicación:
Equipo avanzado y taller:
Preguntas frecuentes:
¿Precio del producto?
Cuanto mayor sea la cantidad que compre, mayor será el descuento que podrá disfrutar. Para consultar precios detallados, consúltenos en línea en cualquier momento.
¿Calidad del producto?
El producto ha pasado la certificación del sistema de calidad internacional ISO9001 y la certificación CE, lo que garantiza la estabilidad y confiabilidad del funcionamiento del producto.
¿Entrega del producto?
Los productos de inventario se enviarán inmediatamente después de recibir los pedidos, mientras que otros productos se enviarán estrictamente de acuerdo con las fechas acordadas en el contrato.






