Motor integrado
Diseño integrado, instalación sencilla y fácil mantenimiento.
Cinco en uno (servomotor, controlador, codificador, reductor y rueda), estructura compacta.
Diseño de optimización general de la solución, gran estabilidad y bajo nivel de ruido.
Diseño de servo, alta precisión y gran confiabilidad.
Solo hay líneas eléctricas y líneas de comunicación en el exterior, que tiene una fuerte capacidad antiinterferente y un funcionamiento estable.
Detalles de producto
Parámetro:
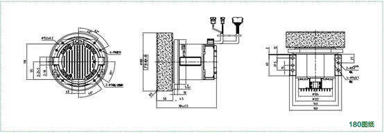
Dibujo:
Aplicación del producto:
Se utiliza principalmente para AGV de carga ligera, AMR, robot de acecho y robot de movimiento de carga, etc.
Deja tus mensajes





